Cortex ®-Mx系列MCU具备多种专门针对电机驱动的接口及外设和高性能协处理器,可以实现对风机转子位置的精/确估算和有效控制,具备高效、低噪声的优点,可执行先进电机的控制和应用……
变频空调因其环保节能和舒适度高的优点,逐步进入到人们的生活中来。作为空调核心组件之一的风机,其运行噪音与性能不仅影响到空调使用的舒适度,还关系到空调的能效比和可靠性。
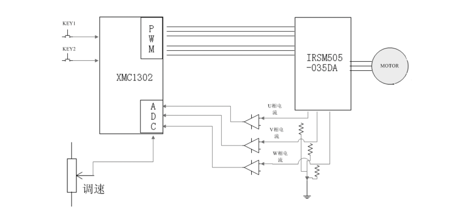
空调风机正在从直流无刷电机的方波驱动发展到低噪音的永磁同步电机的正弦波驱动,从有Hall传感器发展到高可靠的无传感器。贝能国际开发的空调风机方案,基于Cortex ®-Mx系列32位MCU有效实现对永磁同步电机进行无感正弦控制。
Cortex ®-Mx系列MCU具备多种专门针对电机驱动的接口及外设和高性能协处理器,可以实现对风机转子位置的精/确估算和有效控制,具备高效、低噪声的优点,可执行先进电机的控制和应用。
