CAN 作为国际上应用最广泛的现场总线之一,其高性能和可靠性已被认同,并被广泛地应用于汽车、工业自动化、船舶、医疗设备、工业设备等方面。
CAN 协议最初是为汽车应用而创建的,是一种高速,可靠的通信协议,适用于要求比特率达到 8 Mbps 的强大通信的应用。将 CAN 协议集成到设计中是一种经济高效的通信选项,可为简单到复杂的电气环境提供高度的实时功能。
Microchip 提供完整系列产品,以满足使用 CAN 协议的高性能嵌入式应用的需求,包括 8 位、16 位和 32 位微控制器,32 位微处理器和带集成 CAN 的数字信号控制器(DSC),外部 CAN 控制器和 CAN 收发器。通过易于使用的开发系统、代码示例、驱动程序和应用笔记,Microchip 提供了一个完整的 CAN 总线解决方案,可以为您的高性能嵌入式设计实现低风险产品开发,降低总体系统成本并加快产品上市时间。

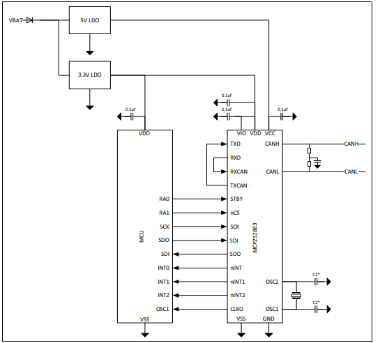
MCP251863是性价比极高的CAN FD控制器和收发器二合一的车规级芯片,能够实现SPI接口转CAN BUS。对主控MCU资源要求低,8bit单片机外挂MCP251863就能实现CAN FD通信, 芯片内部集成了两颗芯片,分别是CAN控制器MCP2518和CAN收发器ATA6563。

产品特点
仲裁比特率高达 1 Mbps
数据比特率高达 5 Mbps
CAN FD ( 兼容CAN 2.0B 和 CAN FD )
完全符合 ISO 11898-1:2015、ISO 11898-2:2016 和 SAE J2962-2 标准
温度范围:-40°C 至 +150°C
支持ISO 26262 功能安全
低电磁辐射 (EME) 和高电磁抗扰度 (EMI)
符合 AEC-Q100 和 AEC-Q006 标准
封装:SSOP28
31 个 FIFO,可配置为发送或接收 FIFO
32个灵活的过滤器,32 位时间戳
内部框图

参考原理图

供电电压2.7V 至 5.5V,在5.5 V和40 MHz CAN 时钟时最大电流20 mA,休眠电流15 µA,高达17MHz的SPI 时钟速度,支持 SPI 模式 0,0 和 1,1。GPIO引脚INT0和INT1可配置为通用 I/O,开漏输出TXCAN、INT、INT0和INT1引脚可配置为推/拉或开漏输出。
Microchip CAN控制器家族












